Pompa hydroforowa SKB 4.02 1,5kW 230V HYDRO‑VACUUM Grudziądz
Parametry:
Pompy hydroforowe polskiej marki Hydro Vacuumserii SKB to pompy wirowe, krążeniowe. Posiadają boczny kanał pierścieniowy oraz otwarty wirnik, a ich największa zaletą jest możliwość automatycznego zasysania, bez konieczności zalewania przewodu ssącego (możliwość samozasysania uzyskana jest po wcześniejszym zalaniu pompy cieczą). Przeznaczone są do tłoczenia wody, a także innych substancji określonych przez producenta, nieagresywnych chemicznie i mechanicznie, o właściwościach korozyjnych w dopuszczalnej granicy materiałów, użytych do ich produkcji, maksymalnej lepkości do 10 mm²/s, gęstości do 1000 kg/m³ oraz maksymalnej temperaturze 40°C. Wykorzystywane są do pompowania cieczy ze studni oraz zbiorników naturalnych, a także sztucznych.
Hydro Vacuum to lider polskiego rynku, który szeroko rozwija sieć dystrybucji, nie tylko na krajowe, lokalne rynki, ale także na skalę Europejską – w szczególności Europę Środkowo‑Wschodnią. Firma ukierunkowana jest na ciągły rozwój, dlatego też produkty marki Hydro Vacuum wyróżniają się innowacyjnością, trwałością, wynikającą z wytworzenia z najlepszych materiałów, a także wieloletnim działaniem, spełniającym oczekiwania wszystkich użytkowników.
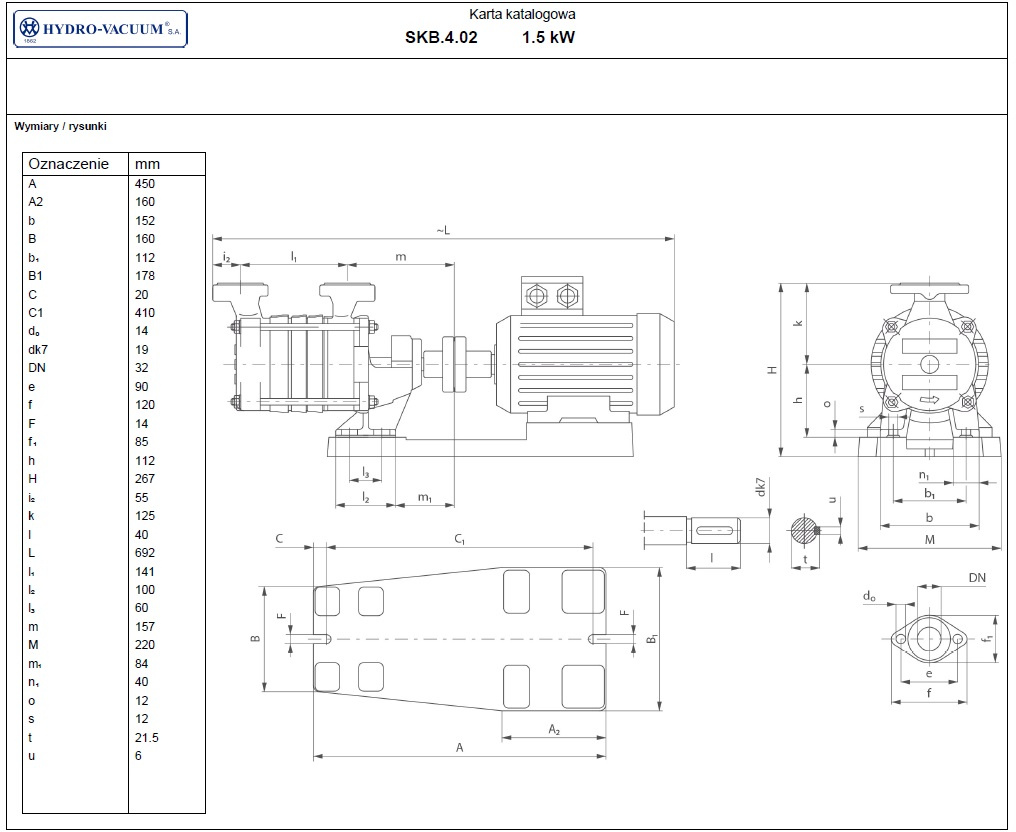
Budowa pomp hydroforowych Hydro Vacuum serii SKB 4
Pompy hydroforowe Hydro Vacuum SKB wykonane są z wykorzystaniem innowacyjnych rozwiązań technologicznych oraz konstrukcyjnych, a także najtrwalszych, odpornych na korozję surowców – w większości z żeliwa. Dzięki temu pompa osiąga wysokie parametry
Seria SKB posiada łożysko kulowe zainstalowane po stronie ssącej i łożysko ślizgowe usytuowane po stronie tłocznej. Pompy samozasysające Hydro Vacuum SKA zbudowane są z dwóch podstawowych części – silnika elektrycznego oraz hydrauliki.
Silnik elektryczny
Pompy Hydro Vacuum SKA wyposażone są w wydajne i mocne silniki elektryczne jedno fazowe lub trójfazowe, zasilane prądem 230V i 400V, wykonane z trwałych materiałów, dzięki czemu wyróżniają się wieloletnią żywotnością.
Część hydrauliczna
Hydraulika pomp samozasysających serii SKB składa się z:
- wału
- korpusów: ssawnego, z zainstalowanym uszczelnieniem wału; tłocznego z wbudowanym łożyskiem ślizgowym; łożyskowym
- wirników osadzonych na wale, których ilość uzależniona jest od ilości stopni pompy, które określone są w jej nazwie:
przykład: SKB 4.02, gdzie:
- SK – grupa kwalifikacyjna
- B – grupa produktu, gdzie B oznacza pompę wyposażoną w łożysko kulowe po stronie ssącej oraz łożysko ślizgowe po stronie tłocznej
- 4 – typowielkość pompy samozasysającej (dostępne wielkości 2‑4)
- 02 – liczba wirników (w tym przypadku 2 wirniki)
Pompy samozasysające Hydro Vacuum SKB 4 wytwarzane są w jednym wykonaniu materiałowym. Do ich produkcji wykorzystano najlepsze, odporne na działanie czynników korozyjnych surowce:
- korpus pompy – żeliwo szare
- człony – żeliwo szare
- wirniki – brąz cynowy
- wał – stal nierdzewna
- uszczelnienie wału (w zależności o tłoczonej substancji) – mechaniczne/miękkie sznurowe
Zastosowanie pomp hydroforowych Hydro Vacuum SKB 4
Trwała konstrukcja, oraz bardzo dobre parametry przekładają się na szerokie zastosowanie pomp hydroforowych Hydro Vacuum SKB, które wykorzystywane są w miejscach, gdzie potrzebna jest większa dystrybucja wody lub innej substancji:
- w instalacjach wodociągowych do zasilana domów jedno i wielorodzinnych
- w instalacjach hydroforowych
- w instalacjach doprowadzających wodę do gospodarstw rolnych
- w zakładach przemysłowych
- w zakładach produkcyjnych
- w instalacjach zaopatrujących działki rekreacyjne i domki letniskowe
- w systemach nawadniających
Cechy i zalety pomp hydroforowych Hydro Vacuum SKB 4
Pompy samozasysające Hydro Vacuum SKB wyróżniają się wieloma zaletami, takimi jak:
- wieloletnia i bezawaryjna praca
- solidna i odporna na korozję konstrukcja
- możliwość pracy ciągłej lub przerywanej
- duża wydajność i wysokość podnoszenia
- niewielkie rozmiary
- możliwość samoczynnego usuwania powietrza z przewodu ssącego
- możliwość samozasysania bez zalewania przewodu ssącego
- wiele możliwości zastosowania
- łatwy montaż
Skład zestawu
- pompa hydroforowa SKB 4.02 1,5kW 230V HYDRO‑VACUUM Grudziądz
- instrukcja obsługi
- karta gwarancyjna
- dowód zakupu – paragon lub faktura VAT
Zachęcamy do zapoznania się z bogatą ofertą sklepu Water‑Mark. Nasi doświadczeni eksperci pomogą Państwu wybrać odpowiednią pompę samozasysającą, a także udzielą wszelkich, istotnych informacji na ich temat.
Zobacz nasz kanał na Youtube
Porównanie pomp hydroforowych SKA, SKB, SM Hydro Vacuum
Brak opinii dla produktu
Wystaw swoją opinię dla zakupionych produktów.




